3 August 2022
Worldwide
Carsten Obenaus
Carsten.Obenaus [at] esi-group.com (Carsten[dot]Obenaus[at]esi-group[dot]com)

Meeting the design specifications of Air Suspension systems using Systems Simulation 

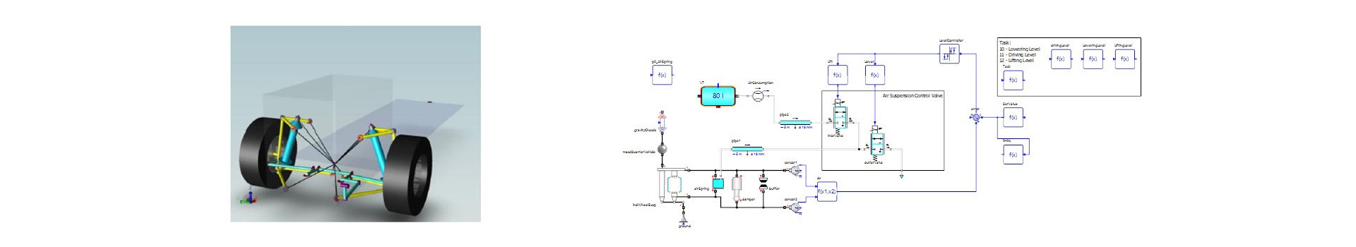
Through simulation, learn how to ensure that the pneumatic systems meet the specifications dictated by either the regulations or the market requirements. Watch ESI system simulation expert, Carsten Obenaus, demonstrate how to address challenges related to pneumatic systems such as: 

  • Component selection 
  • Computation of Systems dynamics and response times 
  • Consumption assessments 
  • Cooling requirements 

In this On-Demand webinar, Carsten shares relevant examples that will help you on your path to achieving the highest quality comfort, and safety of your vehicles while meeting ever-changing stringent market demands.  

Presenter

Carsten Obenaus


BIO

Access the On-Demand

Please accept marketing-cookies to see this form.